Pars Posted January 13, 2019 Report Posted January 13, 2019 I came home from out of state on Sunday and noticed my preamp display was awry (L-R arrows flashing, mute on, front panel non-responsive). Last night I took a look at it and it seemed to return to normal upon running signal thru it (CD->pre->headphone amp). This is a Classe CP-50, probably mid-90s vintage. From reading the owners manual, the display I was seeing is what is supposed to be there after a power outage, but I thought after 45 seconds or so it was supposed to go back to normal? At any rate, I have it open now and think I will recap it. Most, if not all original caps are Nichicon VX(M), 85C, standard series, 2000 hour life (from what I can tell). This thing is a cap farm . My goal is to a) match the original size/lead spacing if possible for good fit, b) long load life, c) 105C rating. Target cap for me where possible would be Panasonic FR. A few questions: Is Nippon Chemicon any good? The two main PSU caps are 2200uf/63V with 10mm lead spacing. The two I picked were Nippon Chemicon KYB (10000 hr) or Nichicon UPW (8000 hr). I can't find anything worth a shit that has 10mm lead spacing; these are 7.5mm. I'm also pretty sure they are not snap-in as they are Nich. VX. For the above, I have some Panasonic TSHA 4700uf/63V snap in at 10mm spacing. I could straighten the leads and file as necessary to fit. Is going up to 4700uf too much increase? Note the 35V caps in a 40V circuit... haven't measured yet to see if it really is 40V. I'll replace these with 50V Nichicon UPW I'll probably have more questions as I go on. This thing has a lot of premium parts in it, such as (10) 2SJ109BL, 2SK79/2SK216, etc. Sounds good as well. Probably not as good as the Aleph P I had, but good nonetheless. Classe CP-50-TM Service Manual.pdf
jose Posted January 13, 2019 Report Posted January 13, 2019 Pars, is it like this? You have hard work ahead. ? The power must work below 35v (the preamp works at 24 volts really). I don´t think you have problems increasing the capacitance but the space is quite limited. I would try those Panasonic TSHA.
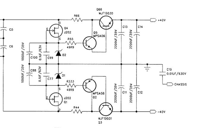
Pars Posted January 13, 2019 Author Report Posted January 13, 2019 ^ Yep. I attached some pics below. The last one with the 4 caps in a row next to the heatsinks are the caps that are running at 40V in the schematic. They don't appear to have leaked from what I can see (a bit of flux on the right side). From my experiences working on my Rotel RCD991, boards of this vintage are pretty easy to work on, so other than disassembly/reassembly, this might not be that bad. The schematic/service manual seems to be missing sheets 12-14 of 16, and I note the volume control (black box) is not shown on these, unless I am missing it. It is supposed to be a 60 step, and I assumed relay based as the volume control itself feels like an encoder. I haven't taken the front panel apart yet (not sure that I will) to see if anything is hiding in there in terms of electrolytic caps. Also, I was looking the amp section schematic over. This appears to be DC coupled. In the snip below (sheet 10), shouldn't there be a V- connection (-24V) at the bottom? I only see 1 rail being used, but filter caps on what I think should be the neg rail...
spritzer Posted January 13, 2019 Report Posted January 13, 2019 Yup that should be the negative rail. As for Nippon Chemicon caps, they are some of the best so go for it. 1
Pars Posted January 13, 2019 Author Report Posted January 13, 2019 I just noticed that one of the cap types on the amp section is a Nichicon VP bipolar type. What would you guys use for bipolar application... It is 100uf/25V, 3.5mm lead spacing, so unfortunately this is too much for a film cap of some type.
spritzer Posted January 13, 2019 Report Posted January 13, 2019 Nichicon ES is excellent but they are larger I think...
Pars Posted January 14, 2019 Author Report Posted January 14, 2019 (edited) Yes, the ES lead spacing is larger, so I'd need to see if those might work or not. Otherwise, I guess I'll use the UVP. I measured the voltages for the issue where it showed 40V rails using 35V caps. It is ~29V (though might be higher at initial turn-on surge), so I think 35V caps will be fine there. The preamp is working fine, but having this occur made me think I might want to get proactive about it. Cost is under $70 to do all 73 or so caps, so other than the labor (and of course the opportunity to brick it), I'll go ahead and do this in the near future. I do think I will discontinue leaving this on all the time however. Edited January 14, 2019 by Pars
Whitigir Posted January 15, 2019 Report Posted January 15, 2019 Definitely ! Chemicon is one of the Best
Recommended Posts
Please sign in to comment
You will be able to leave a comment after signing in
Sign In Now