-
Posts
2,292 -
Joined
-
Last visited
-
Days Won
12
Content Type
Profiles
Forums
Events
Everything posted by Kerry
-
So here's a progress update on my T2 mini build. I started off with the a golden reference version of the T2 supply. Had a couple of issues. There was some 60Hz noise I was hearing (I'm guessing from the integration of the negative rail supplies), which I can probably solve for. Also, the current limiting, which works, wasn't fast enough when there was a shorting issue with the amp on the negative rail (FETs in the output section shorted to the heat sinks). It would pretty much blow out several components in the supply. I decided to go back to the original design, but as a shrunken version (206mm x 200mm). I did some small mods (added cascaded current source for the 30V supply to the opamp and added some additional spots for compensation caps. I finished this over the weekend and have spent some time listening. I've still got to tweak the PS (some small oscillations - probably because I was experimenting with the .1uF cap to the negative input of the op amp and added a .1uF cap across the voltage divider). My BK multi-meter is showing between 1mV and 0 on the AC setting. I've had some of the supplies on the scope but will need to go through all of them. This causes some very faint background noise. The amp has had it's fair share of issues, primarily with the output FETs shorting to the heat sink. I've had this once on the left channel and three times on the right. I believe it was that some thermal compound found it's way inside the collar of the thermal washers (7721-3PPS). I've cleaned these up and have had the amp on for 12 hours now with no issues. Also, the right channel DC test points are all pretty much spot on, but the left channel has an issue with the -543V test point. It is sitting at -502V (the rest of the DC test points are pretty close except for the top of the batteries that sit at +238V). I've been looking at this issue for a while, but haven't figured it out yet. I've got to focus here a bit. Any thoughts would be appreciated. I also have to finesse the battery adjustments to get rid of some occasional noise coming through the right channel as well. I have had my 404's and then later O2's on this beast. Wow, how nice It's been too long...
-
Nice. I want to squeeze this project in next. Glad you got the servo working
-
Happy Birthday Wachara!!!
-
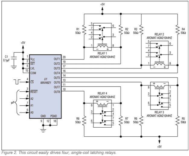
The relays are single coil and require a voltage in one direction or the other to toggle position. In order to accomplish this the circuit uses two output pins per relay on the MAX4820 chip. In the example below from the MAX4821 documentation (APPLICATION NOTE 3288), see how the 50 ohm resistors sit in relationship to the relay. When you toggle OUT1 low (keeping OUT2 high) the 50 ohm resistor will see a little less than 5 volts (I forget the exact value) across it and about 100mA. That gives about .5W (I used 4.5V in my math above). R2 will see much less power across it. To toggle in the other direction you would set OUT2 low leaving OUT1 high. These pulses are very short (a few milliseconds). By default everything is set high and there is very little power consumption. I've had some programing issues and accidentally left some pins low. The resistors get hot quickly but can stay in that position without damage.
-
The 32 x 50 ohm resistors need to be this ERJ-P08F51R0V. They are thick film and handle .66W. The minimum rating for this resistor needs to be .4W.
-
Hi Les, I've used ones similar to these: 1.3" OLED 1" OLED The code will support I2C and SPI interfaces.
-
Just got my boards. Thanks EDIT: I need to build out the digital attenuator so I can finish the code for the new rev.
- 54 replies
-
Just don't add the opto relay (CPC1117N) and the 600 ohm resistor (not necessary). It is a normally closed relay that prevents the HV from starting up. EDIT: Also, the 3K resistor above the relay is not required.
-
I love your mind and 3D printer
-
That's it. I just needed something small and wanted to use the Antec transformers and have the HV delay. Works perfectly on my Blue Hawaii. I've been listening to it for the past couple of days. Really nice to have it back in service. I'm in the middle of re-casing it. EDIT: This is the negative rail so no control logic (just the relay - CPC1117N) and no bias supply.
-
That's a nice Gerber viewer. Which one is it? I'll try to publish the BOM shortly.
-
The class DATTN will support the new board as well, but needs some tweaking since I had the first rev of the new boards.
-
Agreed. Beautiful work Doug!
-
That was a fun day. Larry is awesome
- 176 replies
-
- 1
-
-
- orpheus
- sennheiser
-
(and 2 more)
Tagged with:
-
Well stated! It really helps to use solder paste and a heat gun. I did all of the resistors and low profile parts then I place the relays and then use a straight edge to get them perfect. You can solder with an iron but it takes a lot longer.
-
@mwl168 - where'd you get the purdy black sockets?
-
Wow very sad to hear. Too many greats leaving us.
-
I was thinking it should have a web interface and possibly a universal app to remote control it. I'm thinking with the pi it could read from dlna music servers if people would want to embed a DAC.
-
I'm writing some arduino based code that supports the original boards as well as the new generation. I also have code for a small oled display as well. I'd like to like at some raspberry pi based code as well which would give some nice interface options including Bluetooth on the pi 3. I'm traveling (Birmingham, UK) at the moment but could post the current rev of the code I have once I get back.
-
At 25VAC that's a dc drop of 20 volts less the bridge. At about 10mA+ that's a bit too much heat. I would change the windings. 18VAC is more than enough.
-
I love what you bring to this sport! Nice job Joachim
-
and now for something completely different part 3
Kerry replied to kevin gilmore's topic in Do It Yourself
Nice! I love that you have a light fixture mounted inside the chassis
